Collections
-
321-066 Tiguan converter oil sump valve body for 6-speed automatic gearbox JBG,JVZ,JWA MKD AQ450
(1) converter JBG,MKD 1 2 radial shaft seal 1 3 hexagon nut...
321-066 Tiguan converter oil sump valve body for 6-speed automatic gearbox JBG,JVZ,JWA MKD AQ450
(1) converter JBG,MKD 1 2 radial shaft seal 1 3 hexagon nut...
-
399-015 T4 (7D) transmission securing parts for 5 speed manual transmiss. DVC,DCX,DCU, DCW,DKA,DJZ, AFK,AFL
№ part code title note quantity data model information transmission...
-
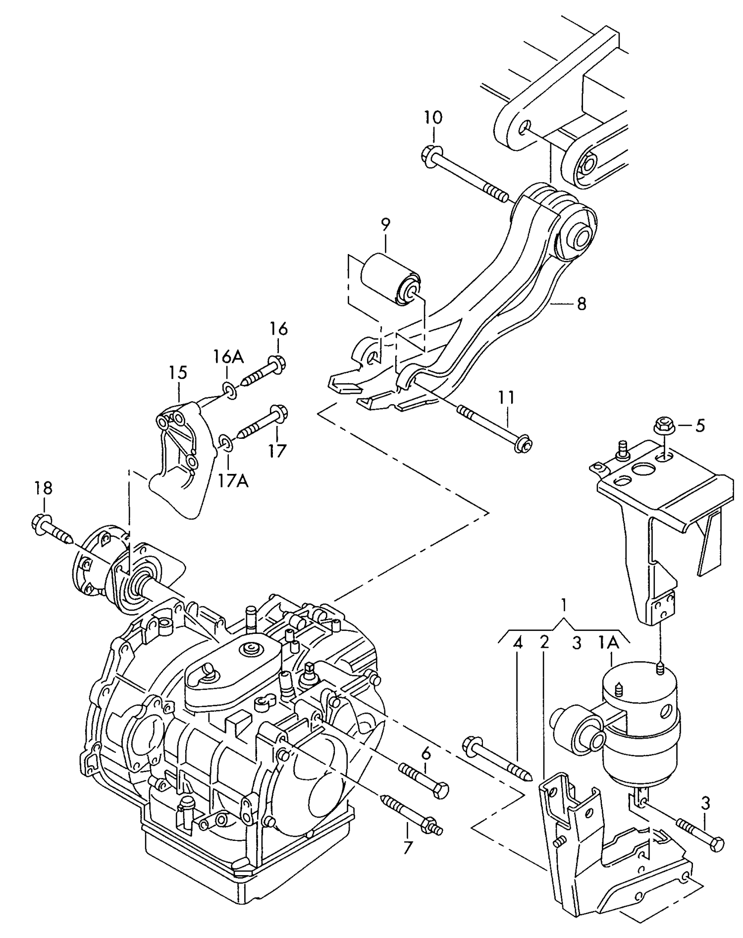
399-020 T4 (7D) transmission securing parts 4-speed automatic gearbox DNB,DML,DNA, DND,DNC,DNE, DNF
№ part code title note quantity data model transmission securing parts 4-speed...
-
407-000 Audi A4 8W 2015>front wishbone links, suspension guide, wheel bearing housing
№ Name Ext. inf. Qty Use of Part number front wishbone linksuspension...
-
407-000 Golf mk4 (1J) Front wishbone, wheel bearing housing frt.-wh.dr.+ AXP,BCA,AHW, AKL,AEH,AVU, BCB,AZD
№ Number Description Qty Date wishbone wheel bearing housingfrt.-wh.dr.+AXP,BCA,AHW,AKL,AEH,AVU,BCB,AZDfront (1) 107106L wishbone...
-
407-000 Tiguan Front wishbone / wheel bearing housing & anti-roll bar frt.-wh.dr.+ BWK,CCTA, CAVA,CAXA
(1) 111989 wishbone D >> - 02.11.2009 (cast version) aluminium 2 (1)...
-
407-000 Touareg 7L Front wishbone wheel bearing housing BHK,BAR,BJN CFRA
(1) 111991 wishbone upper 2 2 112866 bonded rubber bush 4 3...
-
407-001 Golf mk4 (1J) Front wishbone, wheel bearing housing frt.-wh.dr.+ BAD,AQY,APK, AZG,AZJ,BEH, AUM,AGU,AUQ, AQN
№ Number Description Qty Date wishbone wheel bearing housingfrt.-wh.dr.+BAD,AQY,APK,AZG,AZJ,BEH,AUM,AGU,AUQ,AQNfront (1) 107106L wishbone...
-
407-001 Tiguan Front wishbone / wheel bearing housing & anti-roll bar frt.-wh.dr.+ CBAA,CBAB, CFFB,CFFD
(1) 111989 wishbone D >> - 02.11.2009 (cast version) aluminium 2 (1)...
-
407-002 Golf mk4 (1J) Front wishbone wheel bearing housing frt.-wh.dr.+ AQM,ALH,AGR, AXR,ATD,AHF, ASV,AJM,AUY, ASZ,ARL
№ Number Description Qty Date wishbone wheel bearing housingfrt.-wh.dr.+AQM,ALH,AGR,AXR,ATD,AHF,ASV,AJM,AUY,ASZ,ARLfront (1) 107106L wishbone...
-
407-004 Golf mk4 (1J) Front wishbone, wheel bearing housing GTI 25J
№ Number Description Qty Date wishbone wheel bearing housingGTI 25Jfront (1) 107106L...
-
407-005 Golf mk4 (1J) Front wishbone wheel bearing housing 4motion+ AZJ,AQN,BDE
№ Number Description Qty Date wishbone wheel bearing housing4motion+AZJ,AQN,BDEfront (1) 107106L wishbone...
-
407-005 Tiguan Front wishbone / wheel bearing housing & anti-roll bar 4motion+ BWK,CAWA, CAWB,CAVA, CCTA,CCZC, CCZA
(1) 111989 wishbone D >> - 02.11.2009 (cast version) aluminium 2 (1)...
-
407-005 Touareg 7L Front wishbone wheel bearing housing BPD,BPE,BUN, BKS,BLE, CBWA,CASA CASB,CASC, CATA
(1) 111991 wishbone upper 2 2 112866 bonded rubber bush 4 3...
-
407-005 VW Polo 6N 2000>2002 wishbone wheel bearing housing anti-roll bar ALD,AUC,AKK, AKP,AUD,AHW, AUA,AFK,AUB, ARC,APE,AVY, AQQ
№ Name Ext. inf. A* Use of Part number A wishbonewheel bearing...
-
407-006 Golf mk4 (1J) Front wishbone, wheel bearing housing 4motion+ AGR,ASZ,ARL, ATD
№ Number Description Qty Date wishbone wheel bearing housing4motion+AGR,ASZ,ARL,ATDfront (1) 107106L wishbone...
-
407-007 Golf mk4 (1J) Front wishbone. wheel bearing housing 4motion+ R32
№ Number Description Qty Date wishbone wheel bearing housing4motion+R32front (1) 44378 wishbone...
-
407-010 Audi 80 8C 1992>1996, Coupe 1990>1996, Quattro
№ Number Description Cnt Date wishbone wheel bearing housing suspension suspension strut...
-
407-010 Fabia MK1 2000>2007 wishbone wheel bearing housing/ anti-roll bar AMF,ASZ,AZQ, AZL,ASY,ATD, AXR,BBZ,BMD, BME,BNM,BNV, BBY,BKY,BLT, BUD
№ Number Description Qty Date wishbone wheel bearing housing anti-roll barAMF,ASZ,AZQ,AZL,ASY,ATD,AXR,BBZ,BMD,BME,BNM,BNV,BBY,BKY,BLT,BUD...
-
407-010 VW Polo 6N 2000>2002 wishbone wheel bearing housing anti-roll bar AMF,AKU,AEF, AGD,ASX
№ Name Ext. inf. A* Use of Part number A wishbonewheel bearing...
-
407-011 Audi A2 2003>2005 wishbone wheel bearing housing anti-roll bar F 8Z-3-019 683>>
№ Number Description Cnt Date wishbone wheel bearing housing anti-roll bar F...
-
407-020 Driveshaft frt.-wh.dr.+ TW8,T2J,T50, TD1+DG6, DQ6,DN4,D45, D94
drive shaft with constantvelocity jointsD - 25.01.2016>> 2 107729
-
407-020 T4 7D driveshaft,CV joints,Boot kits for manual gearbox AAC,ABL,ACV, AES,AET,AEU, AJA,AJT,APL, AVT,AYC,AYY 'Please select parts from links below-prices will update
№ Name Ext. inf. A* Use of Part number drive shaftfor manual...
-
407-020 VW Polo 6N 2000>2002 drive shaft for 5 speed manual transmiss. AEF,AFK,AGD, AHW,AKK,AKP, AKU,ALD,AQQ, ASX,AUA,AUB, AUC,AUD
№ Name Ext. inf. A* Use of Part number A drive shaftfor...
-
407-022 VW Polo 6N 2000>2002 drive shaft for 5 speed manual transmiss. for gearbox code: AMF
№ Name Ext. inf. A* Use of Part number A drive shaftfor...
-
407-025 Polo 6R Front driveshaft for 5 speed manual transmiss. CAYA,CAYB, CAYC,CFWA, CLNA
№ Number Description Cnt Date drive shaft for 5 speed manual transmiss.CAYA,CAYB,CAYC,CFWA,CLNAfront...