Collections
-
015-000 coolant pump HZ,NZ,MH,2G / EZ,GU,PB,KR, PL,RF,RH,PN, RP,PF,RV DIESEL:JP,ME T-DIESEL:JR, MF,RA
coolant pumpHZ,NZ,2G1.05/1.3ltr. 1 100994 coolant pump with sealing ring M >> HZ...
-
018-000 coolant hoses coolant pipe 1.6/1.8ltr. Carburetor engine: EZ,GU,RF,RH, PN,ABN
№ Name Ext. inf. A* Use of Part number coolant hosescoolant pipe...
-
019-000 coolant hoses coolant pipe 1.6/1.8ltr. K-JETRONIC/ MONO- JETRONIC PB,RP,PF,RV diesel eng.+ JP,ME,JR,MF, 1V
№ Name Ext. inf. A* Use of Part number coolant hosescoolant pipe...
-
022-000 cooler for coolant flange reservoir EZ,GU,RF,RH, PN,RP,PF,RV, PB,KR,PL,PG, ABN diesel eng.+ JP,ME,JR,MF, RA,SB,1V 1.6-2.0 litres
1 100718 flange with sealing ring also use 104529107135107319 EZ,RF,RP,GU,RH,RV,PN,PG,ABN 1;;;X;X;X (1)...
-
022-000 VW Polo fuel line / fuel filter
№ Name Ext. inf. A* Use of Part number A fuel linefuel...
-
023-000 VW Polo 1991>1994 exhaust manifolds HZ,ACM,AAU, NZ,AAV,2G, 3F,PY; diesel eng.+ 1W
№ Name Ext. inf. A* Use of Part number A exhaust manifolds...
-
024-010 VW Polo 1991>1994 exhaust pipe catalytic converter HZ,AAU,NZ, AAV,2G,3F, PY,ACM diesel eng.+ 1W
№ Name Ext. inf. A* Use of Part number A exhaust pipecatalytic...
-
045-015 VW Polo G40 1991>1994 Front floating caliper brake brake caliper housing brake carrier with pad retaining pin brake disc G40
№ Name Ext. inf. A* Use of Part number A floating caliper...
-
046-000 VW Polo 1985>1994 Gear selector mechanism
№ Name Ext. inf. A* Use of Part number A selector mechanism...
-
054-003 VW KT Van 1975>1983 28-D-004 508
20 tie rod end(left-hand thread)F >> 28-D-004 508 1 02291 (20) tie...
-
055-000 steering gear / boot / steering dampers
8 protective sleeve 1 104154
-
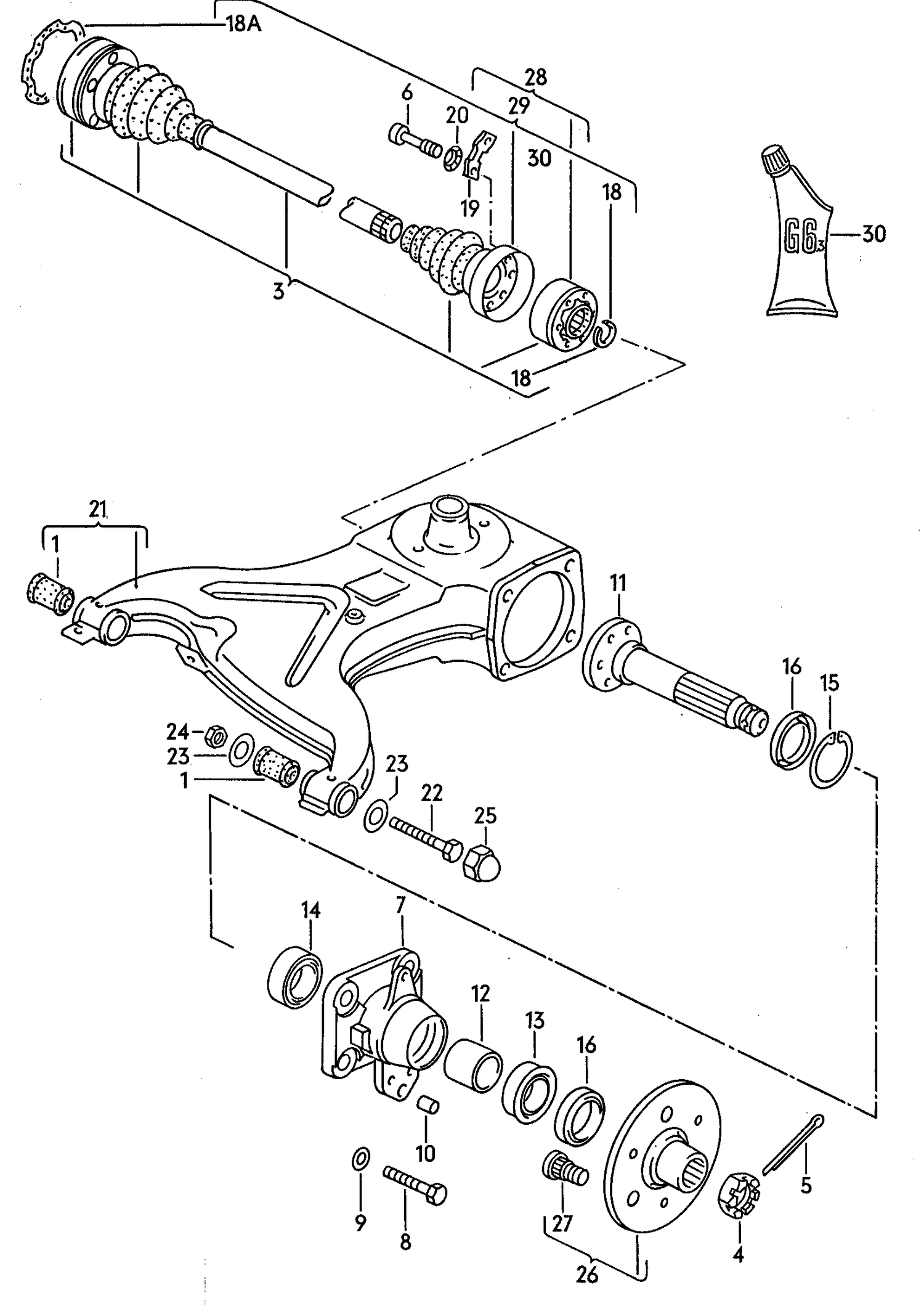
057-000 Audi 80 87> Rear axle beam / wheel hub / brake disc / brake drum / Shockabsorber
№ Number Description Cnt Date rear axle beam wheel hub brake disc...
-
060-000 Audi 80 1987> Rear drum brake back plate wheel brake cylinder brake shoe with lining brake cable 80:JK,JN,JV, NE,PM,PP,RA, RN,RU,SE,SF, SB 90:RA,SB rear 200X40X5,0
№ Number Description Cnt Date drum brake back plate wheel brake cylinder...
-
061-010 Volkswagen LT, LT 4x4 1975>1996 Twin rear wheels 291-296 M512:293-296 270x65mm
drum brake back platewheel brake cylinderbrake shoe with liningbrake cablefor twin tyresF...
-
100-000 Golf mk5 (1K) 1.4 16V BCA,BUD engines 2004>2009 Service parts
Oil filter 107694 Air filter 1.4 75bhp >2007 109041 Air filter 1.4...
-
100-000 Golf mk5 (1K) 1.4 16V BCA,BUD engines 2004>2009 Service parts 'Open to view parts & prices'
Oil filter 107694 Air filter 1.4 75bhp >2007 109041 Air filter 1.4...
-
100-001 Bora Service parts 1.4/1.6 16v 1999>2005 ‘Please select parts from links below, prices will update’
Part Number: Description: 107694 Oil filter 107695 Air filter 1.4 16v;1.6 16v...
-
100-001 EOS 1.4/1.6 Service parts ‘Please select parts from links below, prices will update’
Part number: Desciption: 113149 Oil filter 1.4 CAXA 07/10> ; CAVD 07/10>...
-
100-001 Golf MK4 (1J) Service parts 1.4 16V AHW; AKQ; APE; AXP; BCA ‘Please select parts from links below, prices will update’
Part title: Part number: Oil filter 1.4 16v/1.6 16v 107694 Air filter...
-
100-002 Bora 1.6 8v service parts ‘Please select parts from links below, prices will update’
Part number: Description: 100653 Oil filter 107756 Air filter 103174 Fuel filter...
-
100-002 Eos 2.0 petrol Service parts ‘Please select parts from links below,
Part Number: Description: 110054 Oil filter 2.0FSI 150bhp BPY,BWA,BVY,BVZ 112936 Oil filter...
-
100-002 Golf mk4 (1J) Service parts 1.6 8v AEH;AKL;APF 100bhp, AVU;BFQ 102bhp 'Please select parts from links below-prices will update'
Part Number: Part Detail: 100653 Oil filter 107756 Air filter 103174 Fuel...
-
100-003 Golf mk4 (1J) 1.8 Service parts AGN;BAF 125bhp, AGU; AQA; ARZ; AUM; AWD 150bhp, AUQ 180bhp 'Please select parts from links below-prices will update'
Part Number: Part Details: 100653 Oil filter 107756 Air filter 103174 Fuel...