Collections
-
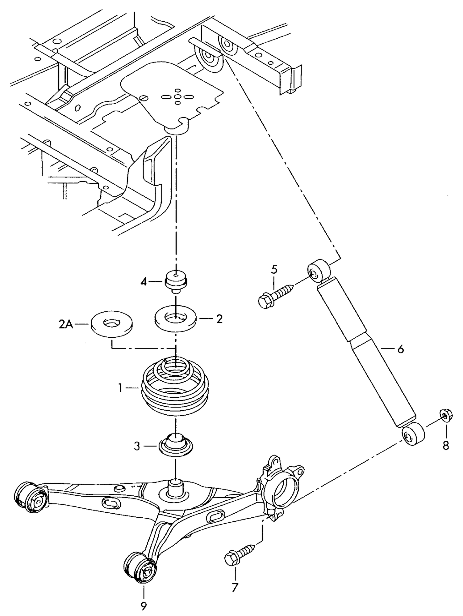
511-005 Tiguan Rear suspension shock absorbers 4motion
1 coil spring 1 paint mark 1 paint mark whitelilac PR-1JA,1JL+0YB 2...
-
511-005 VW Polo 6N 2000>2002 Rear suspension shock absorbers ALD,AUC,AKK, AKP,AUD,AHW, AUA,AFK,AUB, ARC,APE,AVY, AQQ
№ Name Ext. inf. A* Use of Part number A suspensionshock absorbers...
-
511-007 Golf mk5 (1K) R32 Rear suspension shock absorbers 4motion
№ Number Description Cnt Date suspension shock absorbers4motion+R32 1 ACS1784 coil spring...
-
511-010 Golf mk4 (1J) Rear suspension, shock absorbers fr.wheel drive
№ Number Description Qty Date suspension shock absorbersfr.wheel drvrear 1 ACS1116 coil...
-
511-010 T4 7D Rear suspension, anti-roll bar 'Follow links below to purchase'
№ Number Description Qty Date suspension anti-roll barrear 1 coil spring marked...
-
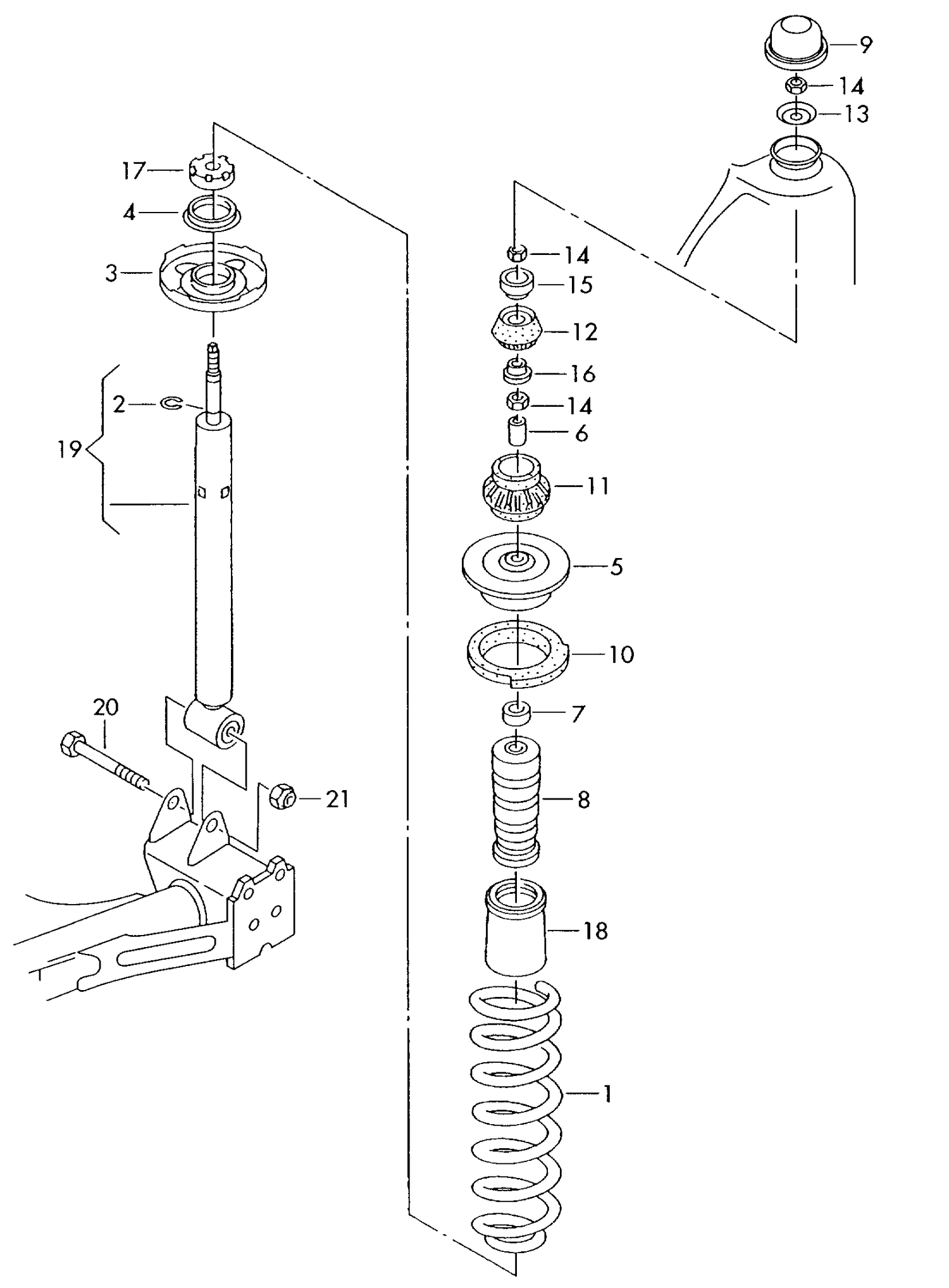
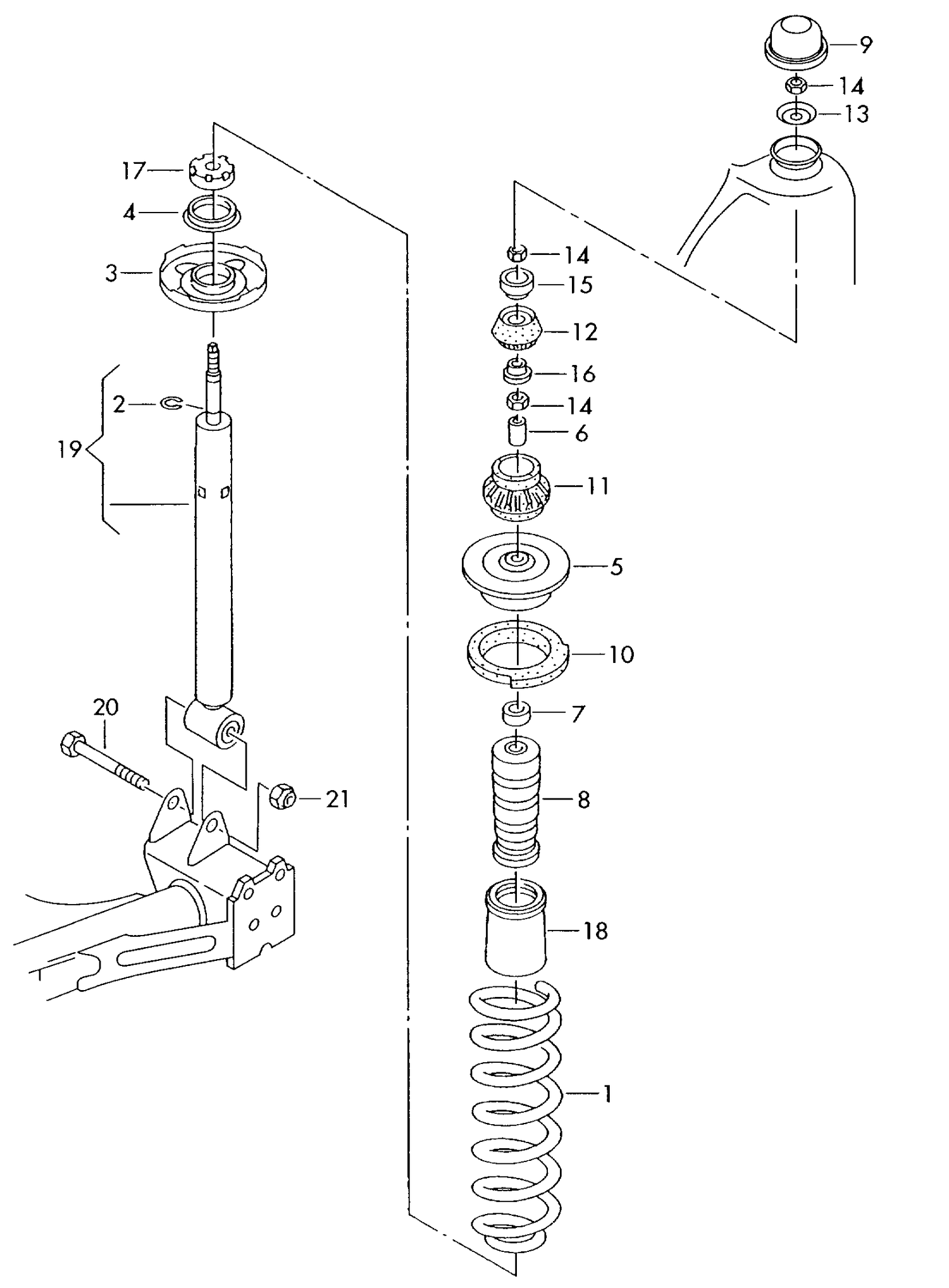
511-010 Tiguan Rear suspension shock absorbers for vehicles with electroni- cally regulated shock absorber
1 coil spring 1 paint mark 1 paint mark rearwhitelilac PR-0YB 2...
-
511-010 VW Polo 6N 2000>2002 Rear suspension shock absorbers AMF,AKU,AEF, AGD,ASX
№ Name Ext. inf. A* Use of Part number A suspensionshock absorbers...
-
521-010 Tiguan 2008>2011 Rear Propshaft 4motion+ BWK,CAWB, CAWA,CBAA, CBAB,CBBB, CBBA,CAVA, CCTA,CCZC, CCZA,CFFA, CFFB,CFGB, CLJA
№ Number Description Qty Date cardan shaft4motion+BWK,CAWB,CAWA,CBAA,CBAB,CBBB,CBBA,CAVA,CCTA,CCZC,CCZA,CFFA,CFFB,CFGB,CLJA (1) cardan shaft 1 (2)...
-
601-010 A6 4B steel rim / hub cap /bolts
№ Number Description Cnt Date steel rim hub cap * please refer...
-
601-010 VW Polo 6N 2000>2002 steel rim /Cap / Bolts
№ Name Ext. inf. A* Use of Part number A steel rim...
-
609-020 VW Polo 6N 2000>2002 Rear drum brake/Shoes PR-1KH,1KM
№ Name Ext. inf. A* Use of Part number A drum brake...
-
609-050 VW Amarok 2012>2017 Rear drum brake
1 115671 brake drum 2 2 socket head bolt with hexagon socket...
-
609-050 VW Polo 6N 2000>2002 brake cable
№ Name Ext. inf. A* Use of Part number A brake cable...
-
611-010 A6 4B tandem brake master cylinder reservoir LUCAS
№ Number Description Cnt Date tandem brake master cylinder reservoir LUCAS 1...
-
611-010 VW Polo 6N 2000>2002 brake master cylinder reservoir brake fluid
№ Name Ext. inf. A* Use of Part number A brake master...
-
611-020 A6 4B Front brake pipe brake hose for models with traction control system -tcs- for vehicles with electronic differential lock -edl- PR-1AH,1AJ
8 108718 retaining spring X 9 109394 brake hose M10X1X295MM 2 9...
-
611-020 Touareg 7L Front brake pipe brake hose
1 111057 brake hose 515MM PR-1LF,1LE, 2 (1) 111058 brake hose 790MM...
-
611-020 VW Polo 6N 2000>2002 Front brake pipe brake hose
№ Name Ext. inf. A* Use of Part number A brake pipebrake...
-
611-024 A6 4B Front brake pipe brake hose for vehicles with electronic stabilisation program -esp- PR-1AT
8 108718 retaining spring X 9 109394 brake hose M10X1X295MM 2 9...
-
611-030 611-030 A4 Rear brake hose Audi A4 8K 2008>
№ Name Ext. inf. QTY Use of Part number brake pipebrake hose...
-
611-030 A6 4B Rear brake pipe brake hose
3 108718 retaining spring X 4 114786 pipe/hose line right 1 5...
-
611-030 Touareg 7L Rear brake pipe brake hose
1 111066 brake hose rear PR-1KF,1KQ,2ED,2EE 2 1 111066 brake hose PR-1KF,1KQ,2ED,2EE...
-
611-030 VW Polo 6N 2000>2002 Rear brake pipe brake hose
№ Name Ext. inf. A* Use of Part number A brake pipebrake...
-
612-010 A6 4B brake servo pneumatic LUCAS
№ Number Description Cnt Date brake servo pneumatic LUCAS 1 8D0612107B brake...
-
612-025 VW Polo 6N 2000>2002 brake force regulator
№ Name Ext. inf. A* Use of Part number A brake force...
-
615-001 Bora Brake friction and Hydraulics 1.4 16V;1.9SDI PR-1LQ 'please select parts from links below-prices will update'
Part Description: Detail Number: wheel bolt standard 111477 wheel bolt (locking set)...