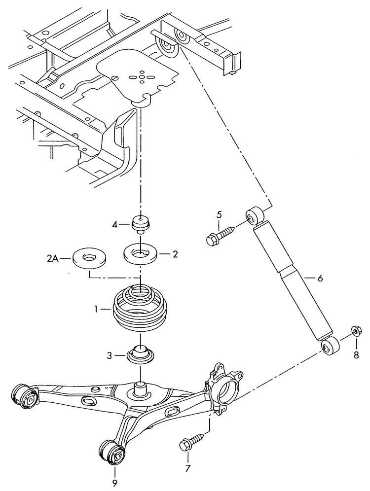
Collection: 511-010 T4 7D Rear suspension, anti-roll bar 'Follow links below to purchase'
| № | Number | Description | Qty | Date | |||
|---|---|---|---|---|---|---|---|
| suspension anti-roll bar rear |
|||||||
|
1
|
|
coil spring marked with: for vehicles with payload of: for models with wheelbase:
pick-up
low-loader pick-up double cab |
2
|
||||
|
(1)
|
996492
|
coil spring marked with: for vehicles with payload of: for models with wheelbase:
pink
1200KG 2920/3320MM delivery van
estate veh. bus kombi van with seats MULTIVAN |
2
|
||||
|
(1)
|
996492
|
coil spring marked with: for vehicles with payload of: for models with wheelbase:
pink
1000KG 2920/3320MM PR-1P2/1P3:
delivery van estate veh. |
2
|
||||
|
(1)
|
996485
|
coil spring marked with: for vehicles with payload of: for models with wheelbase: for vehicles with payload of: for models with wheelbase:
white
800/1000KG 2920MM 1000KG 3320MM delivery van
|
2
|
||||
|
(1)
|
coil spring marked with: for vehicles with payload of: for models with wheelbase: for vehicles with payload of: for models with wheelbase:
white
800/1000KG 2920MM 1000KG 3320MM delivery van
|
2
|
|||||
|
(1)
|
|
coil spring marked with: for vehicles with payload of: for models with wheelbase:
yellow orange
800/1000KG 2920MM estate veh.
kombi van with seats |
2
|
||||
|
(1)
|
996485
|
coil spring marked with:
white
PR-1P2,1P3:
MULTIVAN, bus kombi van with seats |
2
|
||||
|
(1)
|
coil spring marked with:
white
PR-1P2,1P3:
MULTIVAN, bus kombi van with seats |
2
|
|||||
|
(1)
|
|
coil spring marked with: for vehicles with payload of: for models with wheelbase:
light blue
800/1000KG 2920MM estate veh.
kombi van with seats |
2
|
||||
|
(1)
|
996489
|
reinforced coil spring marked with: for vehicles with payload of:
red brown
1200/2000KG PR-0J3,0J4:
pick-up low-loader pick-up double cab |
2
|
||||
|
(1)
|
996489
|
reinforced coil spring marked with: for vehicles with payload of: for models with wheelbase:
red brown
1000KG 2920/3320MM PR-1P2,1P3:
pick-up low-loader pick-up double cab |
2
|
||||
|
(1)
|
|
coil spring marked with: for models with wheelbase:
green
2920/3320MM ambulance
|
2
|
||||
|
(1)
|
|
coil spring marked with: for vehicles with payload of: for models with wheelbase:
light blue
1000KG 2920/3320MM bus
MULTIVAN |
2
|
||||
|
(1)
|
36098
|
coil spring marked with:
grey
6-cylinder
|
2
|
||||
|
(1)
|
36098
|
coil spring marked with: for vehicles with lowered running gear
grey
MULTIVAN
|
2
|
||||
|
(1)
|
coil spring marked with: for vehicles with payload of: for models with wheelbase:
yellow
1000KG 2920/3320MM camping vehicle:
CALIFORNIA |
2
|
|||||
|
(4)
|
gas shock absorber for vehicles with payload of:
800-1200KG
delivery van
pick-up low-loader pick-up double cab camping vehicle |
2
|
|||||
|
(4)
|
gas shock absorber for vehicles with payload of:
1200KG
bus
KOMBIWAGEN, kombi van with seats MULTIVAN, CARAVELLE |
2
|
|||||
|
(4)
|
|
gas shock absorber
6-cylinder
|
2
|
||||
|
(4)
|
|
gas shock absorber for vehicles with lowered running gear
|
2
|
||||
|
(4)
|
108365HD
|
shock absorbers, reinforced
PR-1BJ
|
2
|
||||
|
(4)
|
108365HD
|
shock absorbers, reinforced for vehicles with payload of:
2000KG
PR-0J4
|
2
|
||||
|
5
|
damping ring
|
4
|
|||||
|
(9)
|
|
stabilizer, complete
26MM
|
1
|
||||
|
13
|
|
rubber bush for models with rear anti-roll bar
|
4
|
||||
1000KG
2920/3320MM