Collections
-
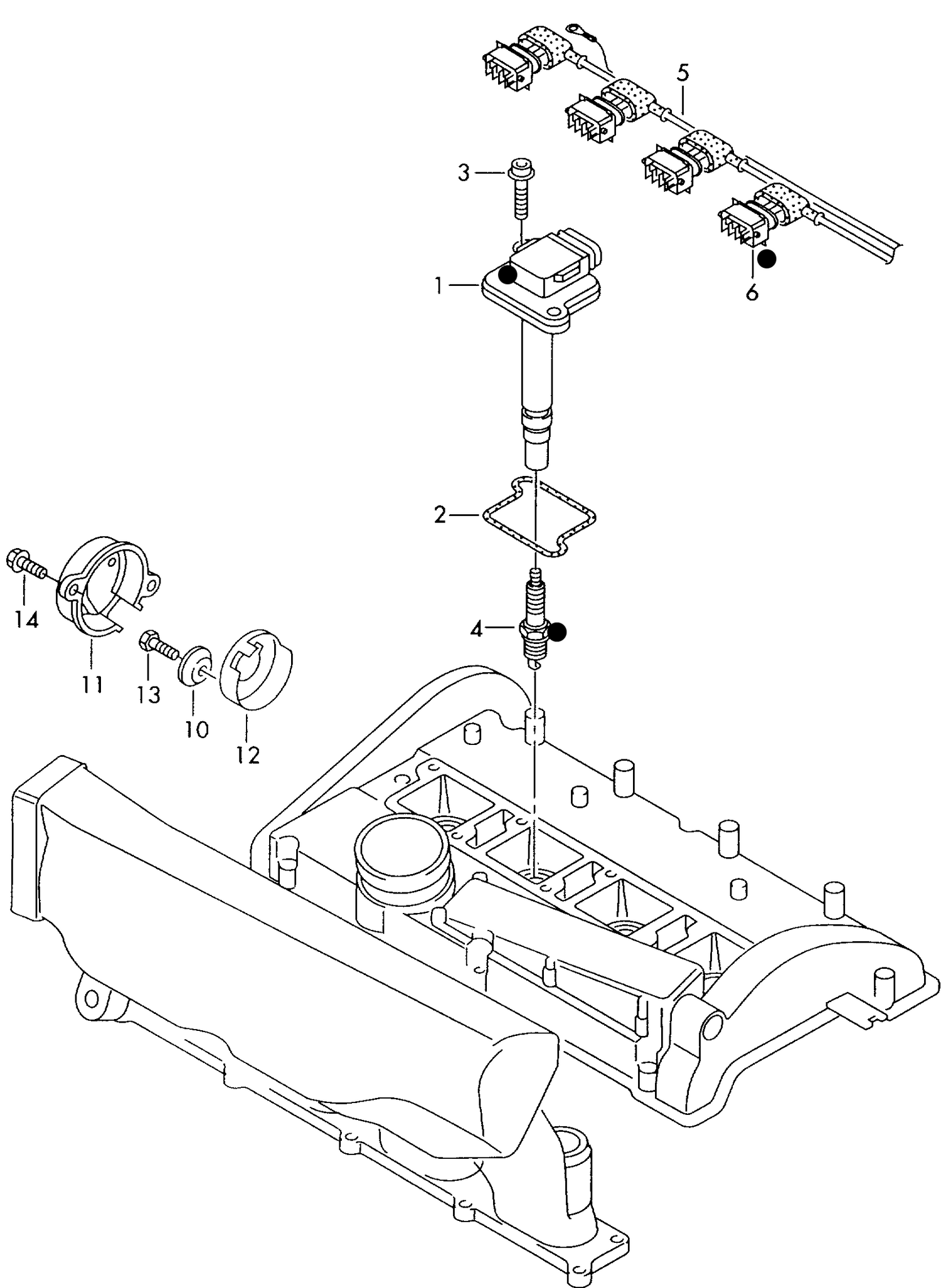
905-000 Golf mk5 (1K) 2004>2009 ignition coil, spark plug, glow plug BCA,BSE,BSF, AZV,BVX,BRU, BLX,BLY,BLN, AXX,BLR,BLF, BKC,BLS,BDK, BMM,BLG,BWA, BVY,BVZ,BKD, BUD,BMY, ‘Please select parts from links below, prices will update’
№ Number Description Cnt Date ignition coil spark plug glow plugBCA,BSE,BSF,AZV,BVX,BRU,BLX,BLY,BLN,AXX,BLR,BLF,BKC,BLS,BDK,BMM,BLG,BWA,BVY,BVZ,BKD,BUD,BMY,BVB,BMN,BXF,BXE,BPY,BYD,BHY (1)...
-
905-000 Tiguan ignition coil spark plug / glow plug BWK,CAWB, CBAA,CBAB, CAWA,CBBA, CBBB,CAVA, CCTA,CCZA, CCZC,CFFB, CFGB,CAXA ''Please choose options from list below"
1 109039 ignition coil with spark plug connector BWK,CAVA,CAXA 4 1 109039...
-
905-010 Audi A2 1.6fsi 2000>2005 ignition transformer spark plug petrol eng.+ BAD ‘Please select parts from links below, prices will update’
№ Name Ext. inf. Qty Part number ignition transformerspark plug petr. engine...
-
905-050 Touareg 7L ignition coil spark plug hall sensor glow plug BHK,BLE,BKS BJN,BPD,BPE, BUN,CBWA, CASA,CASB, CASC,CFRA, CATA
(1) 110921 ignition coil with spark plug connector F >> 7L-8-065 000...
-
906-000 Touareg 7L knock sensor impulse sender
(12) knock sensor with wiring harness use if required: use if required:...
-
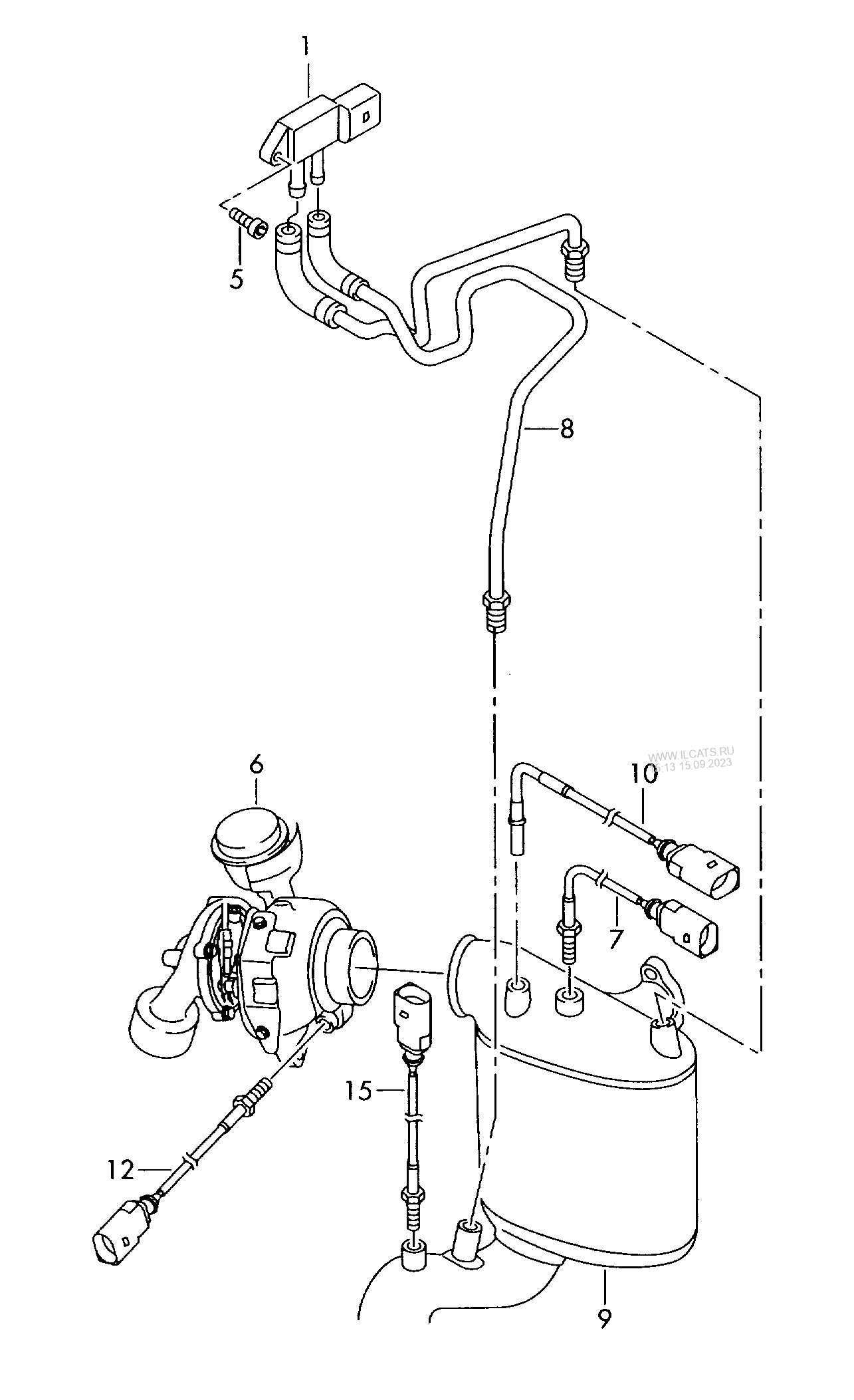
906-015 pressure difference sender exhaust gas temperature sender
№ Name Ext. inf. A* Use of Part number pressure difference senderexhaust...
-
906-015 T5 1.9/2.5 7H/7J 2003>2009 Pressure difference sender
Pressure difference sender 1 113738 Pressure difference senderDiesel particulatefiltercounterpart to: 171907 ...
-
906-015 Tiguan pressure difference sender / exhaust gas temperature sender
pressure difference sender 1 113738 pressure difference sender diesel particulate filter D...
-
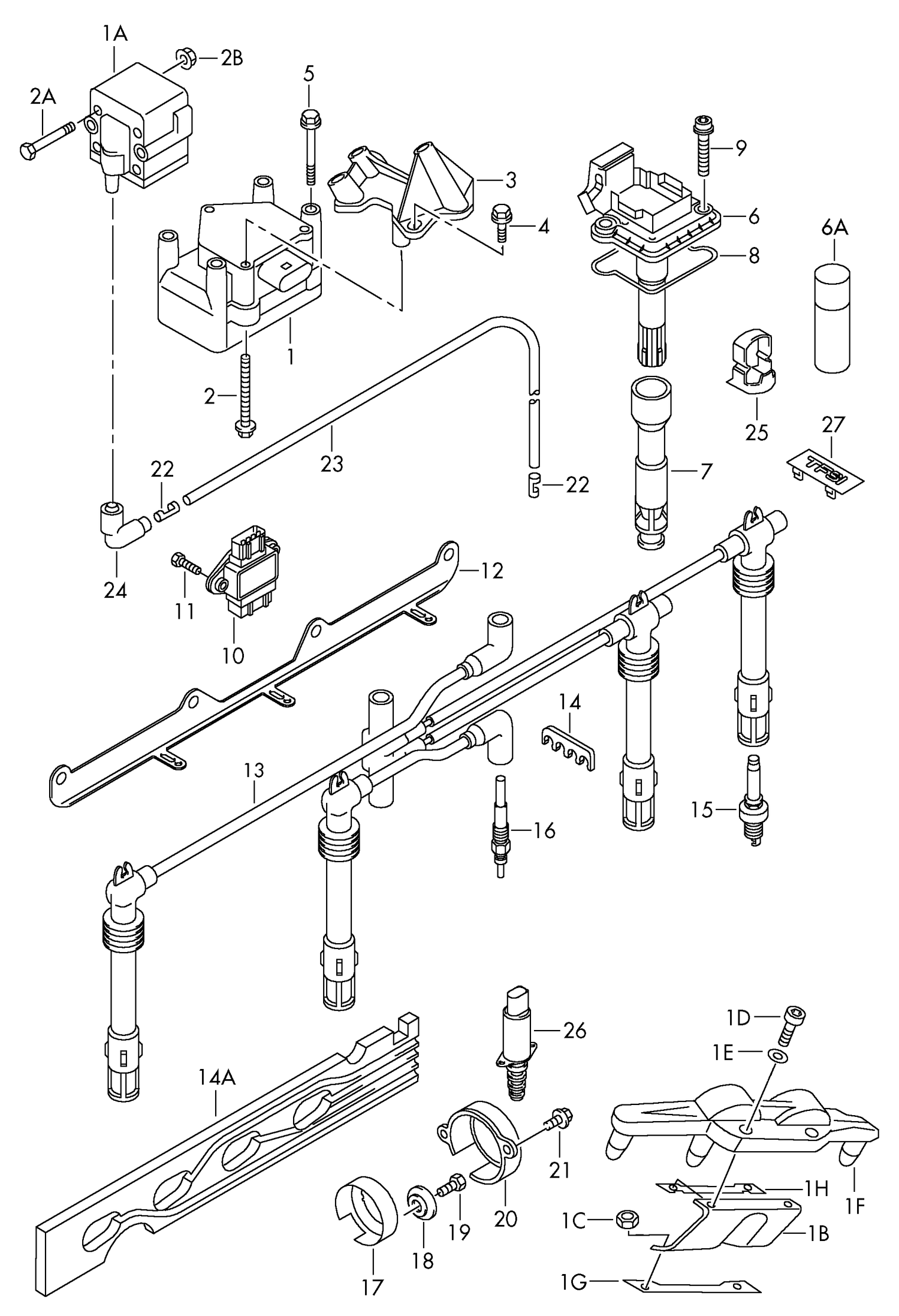
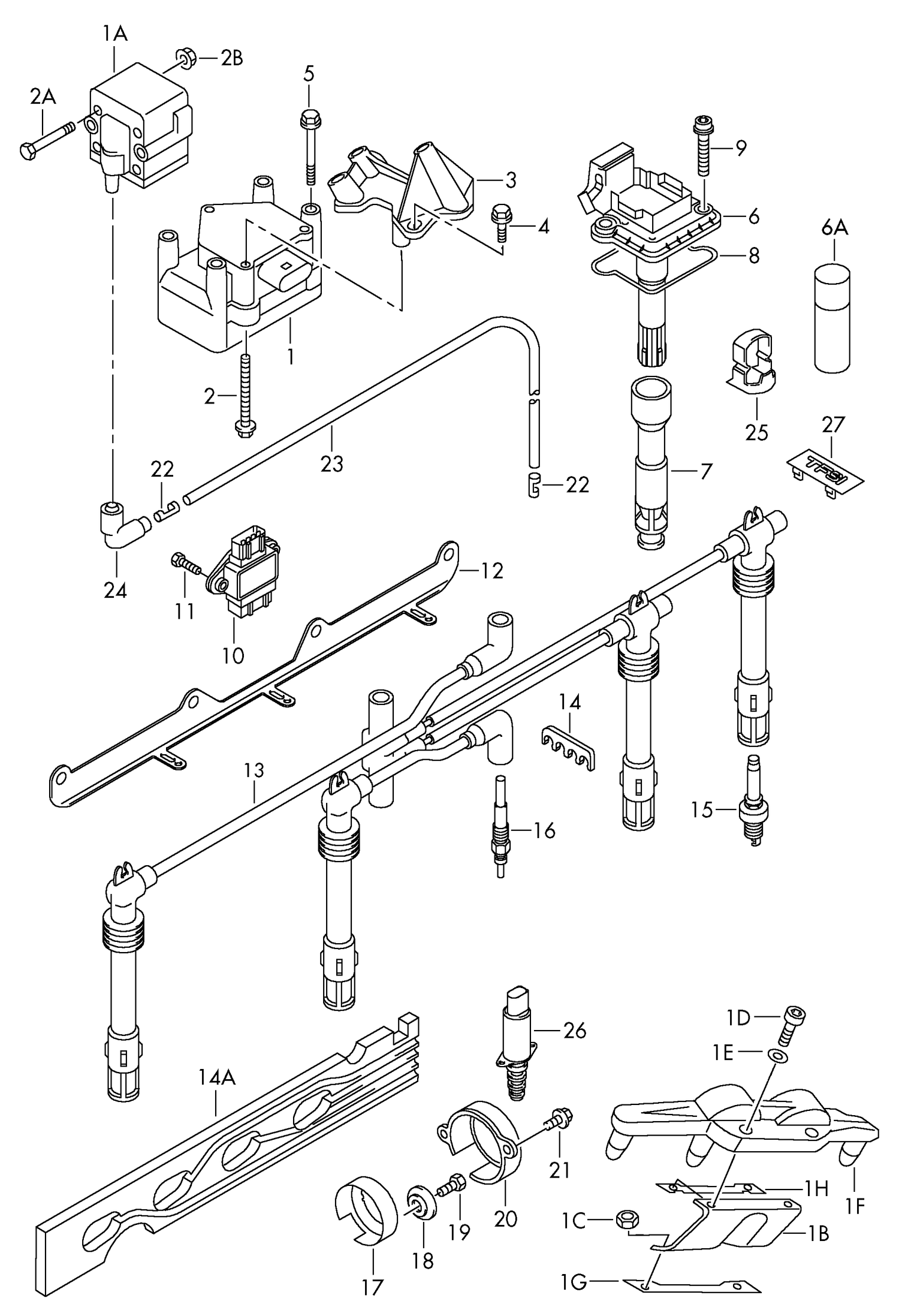
906-030 Golf mk5 (1K) 2004>2009 impulse sender knock sensor pressure sensor operating valve temperature sensor
№ Number Description Cnt Date impulse sender knock sensor pressure sensor operating...
-
906-030 Tiguan impulse sender knock sensor pressure sensor operating valve
impulse sender knock sensor pressure sensor operating valve 6 111419 pressure sensor...
-
915-000 Audi A2 2000>2005 battery
№ Name Ext. inf. Qty Part number batterybattery mounting 1 battery with...
-
915-000 Audi A2 2000>2005 battery ‘Please select parts from links below, prices will update’
№ Name Ext. inf. Qty Part number batterybattery mounting 1 battery with...
-
915-000 Touareg 7L battery / relay for vehicles with 2nd battery
(1) 2130426 battery with charge state indicator, filled and charged to use...
-
919-020 Audi A2 2000>2005 Rear parking aid ‘Please select parts from links below, prices will update’
№ Name Ext. inf. Qty Use of Part number parking aid 2...
-
919-030 Audi A2 2000>2005 fuel delivery unit and sender for fuel gauge ‘Please select parts from links below, prices will update’
№ Name Ext. inf. Qty Use of Part number fuel delivery unitand...
-
919-030 Fuel delivery unit and sender for fuel gauge VW Crafter 2016>
№ Number Description Cnt Date fuel delivery unit and sender for fuel...
-
919-030 VAG 1.6tdi 2015> fuel delivery unit and sender for fuel gauge fr.wheel drv
№ Name Ext. inf. A* Use of Part number fuel delivery unitand...
-
919-040 Audi A2 2000>2005 switches and senders on engine and gearbox, petrol eng.+ AUA,BBY,BAD/ diesel eng.+ ANY,AMF,BHC, ATL ‘Please select parts from links below, prices will update’
№ Name Ext. inf. Qty Part number switches and senders on engineand...
-
919-040 Tiguan switches and senders on engine
1 115439 seal ring 1 3 107319 retaining spring X 6 114245...
-
919-060 Touareg 7L switches and senders on engine 6-cylinder
1 115439 seal ring 1 (1) 351210 seal ring CATA 1 2...
-
927-000 Audi A2 2000>2005 control unit & abs speed sensor ‘Please select parts from links below, prices will update’
№ Number Description Qty Date control unit for abs speed sensor 1...
-
927-000 Tiguan Front ABS sensor
8 110604 left front 1 8 110604 speed sensor left front 1...
-
927-001 Tiguan Rear ABS Sensor incl 4Motion
2 110610 speed sensor left fr.wheel drv 1 2 110610 speed sensor...
-
937-000 Audi A2 2000>2005 central electrics, fuse box, relay carrier, relays ‘Please select parts from links below, prices will update’
№ Number Description Cnt Date fuse socket terminal clampB+ 1 fuse box...
-
937-020 Tiguan central electrics for engine bay
2 109544 contact close relay relay location/code no.: /100 X (2) jumper...
-
941-000 Tiguan halogen twin headlights D - 10.11.2008>> individual parts
12 104497A bulb 'longlife' W5W-12V5W 2 13 104515 bulb, yellow'longlife' PY21W12V 2...