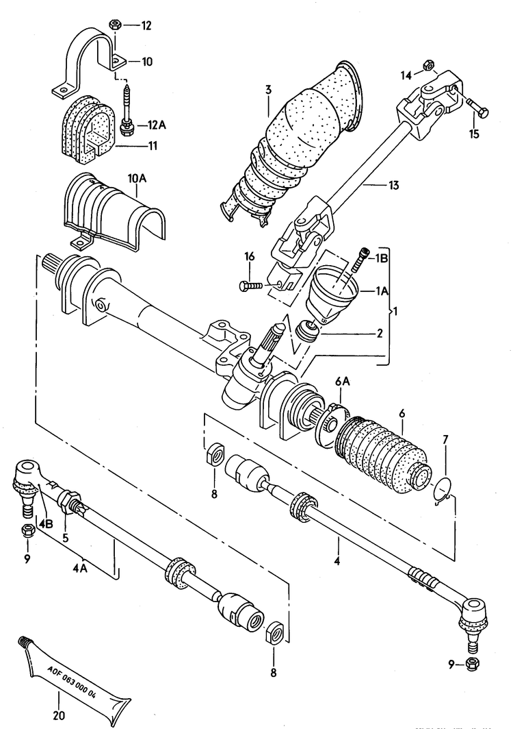
Collection: 103-000 Golf mk2 steering gear track rod for models without power steering
|
(1)
|
102983
|
steering gear also use:
|
1;;1
|
|
|
1A
|
|
pot
|
1
|
|
|
1B
|
|
hexagon socket head bolt (combi)
M6X20
|
2
|
|
|
3
|
102797
|
prot. sleeve for drive shaft also use:
lhd
>>..-J-028883 357 419 193 N 020 902 2 |
1;;1;1
|
|
|
(3)
|
|
prot. sleeve for drive shaft also use:
rhd
>>..-J-028883 357 419 193 N 020 902 2 |
1;;1;1
|
|
|
4
|
102798
|
tie rod (adjustable)
left
|
1
|
|
|
4A
|
102799
|
tie rod (adjustable)
right
|
1
|
|
|
4B
|
102800
|
tie rod end
left
|
1
|
|
|
(4B)
|
102801
|
tie rod end
right
|
1
|
|
|
5
|
|
hexagon nut
M14
|
2
|
|
|
6
|
102802
|
prot. housing for steer. gear
|
2
|
|
|
6A
|
|
clamp
61,5X5X0,8
|
2
|
|
|
7
|
|
clamping ring
|
2
|
|
|
8
|
|
lock nut
M22
|
2
|
|
|
9
|
|
hexagon nut, self-locking
M12
|
2
|
|
|
10
|
|
clamp
|
2
|
|
|
11
|
102803
|
rubber bush
|
2
|
>>..-J-028883
192 419 523 E